Projekt övernattningslägenhet

Föreningslägenheten vid BA 49, som idag används bland annat som övernattningslägenhet, står inför en viktig förändring. Enligt bostadsrättslagen kan föreningen inte längre behålla lägenheten som bostadsrätt.
Genom en försäljning skapas nya möjligheter för hela föreningen.

Bakgrund

Föreningen har sedan starten haft en lägenhet som har använts som möteslokal och övernattningslägenhet för gäster till medlemmarna. Efter genomgång tillsammans med föreningens revisor har styrelsen blivit uppmärksammad på den skyldighet som finns för bostadsrättsföreningar att vidareöverlåta bostadsrätt som övergått till föreningen. Denna skyldighet får betydelse för den bostadsrätt som föreningen äger och som används för övernattning och styrelsemöten med mera.

Bostadsrättslagen 6 kap 11§ 

Föreningens skyldighet till vidareöverlåtelse

[K6]11 §  Har en bostadsrätt övergått till bostadsrättsföreningen, skall den överlåtas så snart det kan ske utan förlust, om inte föreningen på en föreningsstämma beslutar att bostadsrätten skall upphöra.

Samtidigt har vi bekräftat att användningen av lägenheten är begränsad och att kostnader överstiger nyttan.

Mot denna bakgrund rekommenderar projektgruppen försäljning av den aktuella lägenheten vilket ger oss möjlighet att förstärka föreningens ekonomi och även investera i gemensamma utrymmen som kommer alla medlemmar till nytta. 

Intäkterna kan bland annat användas för att finansiera en ombyggnation där en ny, modern övernattningslägenhet får plats, tillsammans med en uppgraderad tvättstuga och ett mötesum där styrelsen, olika arbetsgrupper och enskilda medlemmar kan mötas.

En återkommande idé i föreningen 

Under flera år har det, både inom styrelsen och bland andra medlemmar, diskuterats olika idéer för hur föreningens gemensamma utrymmen bättre kan nyttjas. Vissa ytor upplevs idag som större än vad som behövs för sitt nuvarande ändamål. 

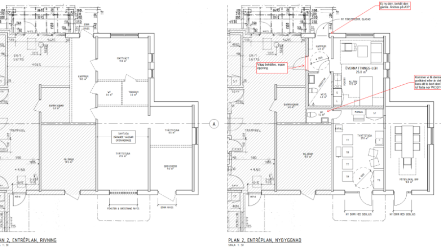
En återkommande idé har varit att se över utformningen av tvättstugan och det angränsande grovsoprummet i punkthuset i BA 175. 

Genom en ombyggnation av dessa utrymmen bedöms det vara möjligt att skapa plats för en ny övernattningslägenhet samt en moderniserad tvättstuga och ett separat mötesrum avsett för styrelsemöten, arbetsgruppsmöten och andra aktiviteter som medlemmar i föreningen kan ha behov av. 

Mindre yta samma funktion 

  • För de medlemmar som idag använder föreningslägenheten för gäster, innebär förändringen framför allt en anpassning i storlek – inte i möjlighet att övernatta i föreningens regi, men i mer kompakt och modern lösning. Istället för en större lägenhet får vi ett mindre övernattningsrum, likt ett hotellrum med plats för två vuxna och eventuellt två barn med möjlighet att förbereda en enkel frukost och brygga kaffe.
  • Fördelen med en egen övernattningslägenhet är att gästerna inte behöver ta hänsyn till styrelsemöten eller andra aktiviteter, vilket ibland är fallet i nuvarande lösning.
  • Separat mötesrum som kan bokas oberoende av lägenheten. Det kan bättre anpassas för möten med whiteboard och projektor.
  • Det går fortfarande att slänga de vanligaste soporna i 175an, men grovsopor behöver slängas i 49ans grovsoprum.
  • Det går fortfarande att tvätta i 175an, men det separata torkrummet försvinner. Entré flyttas till södra fasaden.

Fördelar med förslaget

  • Försäljningen ger föreningen pengar till ombyggnationen och framtida förbättringar utan att behöva ta stora lån.
  • Lägre lån ger lägre räntekostnader och en tryggare ekonomi över tid.
  • Föreningens ekonomi blir mindre känslig inför räntehöjningar
  • En starkare ekonomi gör föreningen mer trovärdig hos banken och ger bättre möjligheter vid förhandlingar av nya lån.
  • Försäljningen stärker föreningens ekonomi genom att en ny medlem tillkommer och vi får en extra månadsavgift.